R Series Tape and Reel Specification




Tape and Reel Specifications for R Series of Radial Leaded Power Inductor

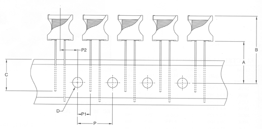
Dimensions in mm ( 1 inch = 25.4mm)

A = 19.5 + - 0.8 P = 12.7 + - 0.33
B = 32.5 MAX P1 = 3.85 + - 0.7
C = 15 + - 0.5 P2 = 6.35 + - 1.3
D = 4 + - 0.2

Special lower pricing if purchased in tape and reel quantities